
Itu STM8S103F3P6 adalah mikrokontroler 8-bit yang diproduksi oleh stmicroelectronics, terkenal karena fungsionalitasnya yang mengesankan dan integrasi yang mulus.Perangkat ringkas ini dilengkapi dengan gaya pemasangan perangkat yang dipasang di permukaan (SMD), mewujudkan inti canggih dan periferal yang diproduksi dengan cermat menggunakan teknologi mutakhir.Dengan frekuensi clock 16 MHz, STM8S103F3P6 menawarkan kemampuan I/O yang kuat, memastikan pemrosesan dan penanganan data yang efisien.Pengatur Pengawas Independennya, dilengkapi dengan sumber jam independen dan sistem keamanan jam, menjamin kinerja perangkat yang optimal dan ketahanan terhadap potensi gangguan.
Salah satu fitur yang menonjol adalah memori flash, yang menyediakan penyimpanan yang tidak mudah menguap untuk kode dan data.Dengan rentang tegangan operasi yang mencakup dari 2,95 V hingga 5,5 V, mikrokontroler ini sangat fleksibel dan dapat disesuaikan dengan berbagai aplikasi.Selain itu, ia menawarkan kisaran suhu operasi yang luas -40 ° C hingga 85 ° C, membuatnya cocok untuk penempatan dalam kondisi lingkungan yang beragam.
• MSP430G2353
• PIC16LF18444T
• STM8S103F3P3
• STM8S103F3P3TR
• STM8S103F3P6TR


Konsumsi Daya Rendah: Ini memiliki berbagai mode konsumsi daya rendah untuk dipilih, termasuk mode idle, mode tidur, mode tidur yang dalam dan mode off, yang secara efektif dapat memperpanjang masa pakai baterai dan menghemat energi.
Kinerja Tinggi: Ini mengadopsi arsitektur inti STM8 berkinerja tinggi, yang memungkinkan frekuensi operasi setinggi 16MHz, yang sangat meningkatkan kecepatan eksekusi instruksi dan memberikan kemampuan komputasi yang lebih efisien untuk aplikasi kami.
Antarmuka komunikasi berganda: Ini mendukung berbagai antarmuka komunikasi termasuk SPI (antarmuka periferal serial), I2C dan UART.Melalui antarmuka ini, ia dapat dengan mudah berkomunikasi dan berinteraksi dengan perangkat eksternal untuk mencapai lebih banyak fungsi dan aplikasi.
Periferal yang berlimpah: Mikrokontroler STM8S103F3P6 memiliki sumber daya periferal yang berlimpah, termasuk memori flash 16kb dan memori RAM 1KB, serta antarmuka yang umum digunakan seperti pin GPIO, pengatur waktu, dan UART.Keragaman periferal ini membuat perangkat ini cocok untuk berbagai skenario aplikasi dan dapat memenuhi kebutuhan berbagai bidang dan industri.Apakah itu kontrol industri, rumah pintar, atau sistem tertanam, STM8S103F3P6 dapat memberikan dukungan.

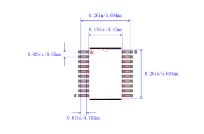
STM8S103F3P6 dikemas dalam paket garis kecil menyusut tipis (TSSOP) dan memiliki 20 pin.Jarak tubuh dan timbal lebih kecil dari paket SOIC standar.Fitur khas TSSOP adalah pembentukan pin di sekitar chip yang dikemas, yang membuatnya cocok untuk pemasangan kabel pada PCB menggunakan teknologi SMT.Saat menggunakan paket TSSOP, parameter parasit (gangguan tegangan output yang disebabkan oleh perubahan besar dalam arus) lebih kecil, sehingga cocok untuk aplikasi frekuensi tinggi.Paket semacam ini lebih nyaman untuk beroperasi dan memiliki keandalan yang lebih tinggi.
Paket TSSOP memiliki fitur berikut:
• Jarak pin kecil: Jarak pin umumnya 0,5mm atau 0,65mm.Melalui desain batang tembaga papan sirkuit, lebih banyak perangkat dapat ditempatkan di papan sirkuit dengan area dan ukuran yang sama.
• Ruang lingkup aplikasi yang luas: dapat diterapkan pada berbagai bidang aplikasi seperti mikrokontroler, DSP, chip memori, dan chip catu daya.
• Jumlah pin tinggi: Jumlah pin umumnya sekitar 20 hingga 64, yang dapat memenuhi persyaratan integrasi chip tertentu.
• Ukuran paket kecil: Dibandingkan dengan paket garis kecil biasa (SO), ukuran paketnya lebih kecil, ketebalan lebih tipis, dan volume lebih kecil, membuatnya cocok untuk pengemasan sirkuit terintegrasi dengan kepadatan tinggi.
• Kinerja tinggi: Ini mengadopsi teknologi pemasangan permukaan, memiliki konduktivitas yang baik dan ketahanan korosi, dan dapat memenuhi persyaratan khusus seperti kecepatan tinggi, frekuensi tinggi, miniaturisasi dan sebagainya.
Kecuali ditentukan lain, semua tegangan dirujuk ke VSS.
Nilai minimum dan maksimum dijamin dalam kondisi yang paling merugikan, mencakup suhu sekitar, tegangan pasokan, dan frekuensi.Jaminan ini ditetapkan melalui tes produksi ketat yang dilakukan pada 100% perangkat, yang dilakukan pada suhu sekitar TA = 25 ° C dan TA = TAMAX (seperti yang didefinisikan oleh kisaran suhu yang dipilih).
Nilai berdasarkan hasil karakterisasi, simulasi desain, dan/atau karakteristik teknologi diuraikan dalam catatan kaki tabel dan belum menjalani pengujian produksi.Mengenai karakterisasi, nilai minimum dan maksimum berkaitan dengan penilaian sampel dan menandakan nilai rata -rata dengan kisaran plus atau minus tiga kali standar deviasi (rata -rata ± 3σ).
Kecuali dinyatakan secara eksplisit sebaliknya, data standar ditetapkan dengan TA = 25 ° C, VDD = 5 V. Nilai -nilai ini disediakan semata -mata sebagai referensi desain dan belum menjalani pengujian.
Akurasi khas dari nilai ADC ditetapkan melalui karakterisasi satu set sampel dari lot difusi standar di seluruh kisaran suhu lengkap.Dalam konteks ini, 95% dari perangkat menunjukkan kesalahan dalam nilai yang ditentukan (rata -rata ± 2σ).
Kecuali secara khusus ditunjukkan, semua grafik standar dimaksudkan semata -mata sebagai referensi desain dan belum dapat diuji.
Melebihi peringkat maksimum absolut yang ditentukan dapat mengakibatkan kerusakan permanen pada perangkat.Peringkat ini semata -mata menunjukkan batas tegangan yang dapat bertahan, dan tidak tersirat bahwa perangkat akan berfungsi dengan baik di bawah kondisi ini.Paparan kondisi pada atau dekat peringkat maksimum dapat berdampak buruk pada keandalan perangkat.
Profil misi perangkat, yang menguraikan kondisi aplikasinya, mematuhi standar kualifikasi JEDEC JESD47, dengan profil misi yang diperluas tersedia berdasarkan permintaan.
Untuk mencapai stabilitas untuk regulator utama, kapasitor eksternal berlabel CEXT harus dihubungkan ke pin VCAP.Sangat penting untuk memastikan bahwa induktansi seri tetap di bawah 15 NH.
Konsumsi saat ini diukur seperti diilustrasikan dalam gambar berikut.

Total pasokan konsumsi arus dalam mode lari
MCU ditempatkan dalam kondisi berikut:
• Semua periferal dinonaktifkan (jam dihentikan oleh register gating jam periferal) kecuali jika disebutkan secara eksplisit.
• Semua pin I/O dalam mode input dengan nilai statis di VDD atau VSS (tidak ada beban)
Tunduk pada kondisi operasi umum untuk VDD dan TA.

STM8S103F3P6 memiliki 20 pin, nama dan fungsinya adalah sebagai berikut:
Pin1 (PD4/ BEEP/ TIM2_ CH1/ UART1 _CK): Port D4
Pin2 (PD5/ AIN5/ UART1 _TX): Port D5
PIN3 (PD6/ AIN6/ UART1 _RX): Port D6
Pin4 (NRST): Reset
Pin5 (pa1/oscin): port a1
Pin6 (pa2/oscout): port a2
Pin7 (VSS): Digital Ground
PIN8 (VCAP): 1.8 V Regulator Capacitor
Pin9 (VDD): Catu Daya Digital
Pin10 (PA3/ TIM2_ CH3 [SPI_ NSS]): Port A3
PIN11 (PB5/ I2C_ SDA [TIM1_ BKIN]): Port B5
Pin12 (pb4/ i2c_ scl): port b4
Pin13 (pc3/ tim1_ch3 [tli] [tim1_ ch1n]): port c3
Pin14 (PC4/ CLK_CCO/ TIM1_ CH4/ AIN2/ [TIM1_ CH2N]): Port C4
Pin15 (PC5/ SPI_SCK [TIM2_ CH1]): Port C5
Pin16 (PC6/ SPI_MOSI [TIM1_ CH1]): Port C6
Pin17 (PC7/ SPI_MISO [TIM1_ CH2]): Port C7
Pin18 (PD1/ Swim): Port D1
Pin19 (PD2/ AIN3/ [TIM2_ CH3]): Port D2
PIN20 (PD3/ AIN4/ TIM2_ CH2/ ADC_ ETR): Port D3
Seperti yang ditunjukkan pada gambar di atas, chip STM8S103F3P6 memiliki hingga 16 pin I/O, yang dapat digunakan untuk berbagai tujuan, seperti GPIO, antarmuka perifer, ADC, dll.Digunakan sebagai pin input untuk membaca sinyal eksternal atau sebagai pin output untuk mengirim sinyal ke perangkat eksternal.Selain itu, setiap pin I/O dapat secara independen diberi vektor interupsi untuk memfasilitasi pemrosesan interupsi yang akurat saat terjadi.
• Sistem Otomasi: Mikrokontroler ini dapat digunakan dalam sistem otomatisasi seperti tirai listrik, sistem kontrol akses, kontrol suhu dan kontrol pencahayaan.
• Aplikasi IoT (Internet of Things): Jika kita perlu mengembangkan perangkat IoT, itu dapat digunakan sebagai pengontrol untuk node IoT untuk menghubungkan dan mengontrol berbagai sensor dan modul komunikasi.
• Perangkat elektronik pribadi: digunakan dalam kamera digital, pemain MP3 dan MP4, konsol game elektronik, dll.
• Peralatan elektronik: digunakan untuk mengembangkan berbagai peralatan elektronik
, seperti mainan elektronik, kendali jarak jauh, kalkulator mini, dll.
• Lapangan Industri: Digunakan dalam PLC, Pengendali Industri, Otomasi Proses dan Peralatan Kontrol Otomatis Kapal, dll.
• Akuisisi Data dan Antarmuka Sensor: Digunakan untuk memantau kondisi lingkungan dan mengumpulkan data atau untuk menghubungkan berbagai sensor seperti sensor cahaya, sensor suhu, dan sensor kelembaban.
• Sistem Kontrol Tertanam: Digunakan untuk merancang berbagai sistem kontrol tertanam, seperti peralatan rumah tangga, peralatan industri, peralatan listrik, dll. Kekuatan pemrosesan 8-bit-nya cukup untuk banyak tugas kontrol sederhana.
STM8S103F3P6 adalah chip mikrokontroler yang dikembangkan oleh stmicroelectronics.Itu milik keluarga STM8 dari mikrokontroler 8-bit dan banyak digunakan dalam berbagai sistem tertanam dan aplikasi IoT.
Unit mikrokontroler STM8S103F3P6 memiliki ROM 640 bit, 10-bit 5-channel ADC, RAM 1KB dan dengan ukuran memori program 8KB.
Kami dapat mengganti STM8S103F3P6 dengan MSP430G2353, PIC16LF18444T, STM8S103F3P3, STM8S103F3P3TR atau STM8S103F3P6TR.
Ya, STM8S103F3P6 dirancang dengan fitur daya rendah dan dapat digunakan dalam aplikasi bertenaga baterai atau berdaya rendah di mana efisiensi energi sangat penting.
Beberapa fitur utama dari STM8S103F3P6 mencakup pin GPIO (input tujuan umum/output), komunikasi UART (penerima asinkron universal/pemancar), komunikasi I2C (sirkuit antar-terintegrasi), komunikasi SPI (Serial Peripheral Interface), timer, dan banyak lagi.
TENTANG KAMI
Kepuasan pelanggan setiap saat.Rasa saling percaya dan kepentingan bersama.
Spesifikasi teknis sel koin lithium CR2354
2024-08-02
Panduan Komprehensif untuk Mikrokontroler ATmega328-Pu
2024-08-02
0603B223K160CTE-mail: Info@ariat-tech.comHK TEL: +852 30501966MENAMBAHKAN: Rm 2703 27F Ho King Comm Center 2-16,
Fa Yuen St MongKok Kowloon, Hong Kong.